鉄道模型制御機器を考える
2ハンドルコントローラーの制作 Part2(その3)
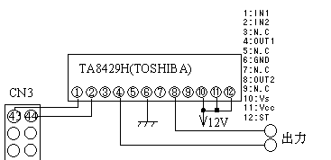
回路図を作成しました。
まずはモータ(動力車)制御回路。

続いてポイント制御回路。

「CN3」はSuperAKI-80のコネクターピン番号を示しています。
パーツ一覧
秋月:SuperAKI-80
EPROM(256Bit,80ns?)
TOSHIBA:7291P(8ヶ)
TOSHIBA:8429H
秋月:DC12V2A ACアダプタ
DC-INジャック
ポイント&フィーダー出力端子
16桁2行表示LCD(任意)
ユニバーサル基盤
50Pinメスコネクタ&フラットケーブル
アルミケース
※1 SuperAKI-80は店頭には並んでいません。店員に言うと出してもらえます。
※2 パーツリストは順次更新していきます。
戻る
Up Date 2005-05-16 Binichi